欢迎光临旭宏液压工业销售中心官方网站
136-9218-9994
首页
关于我们
产品中心
新闻资讯
在线留言
联系我们
柱塞泵
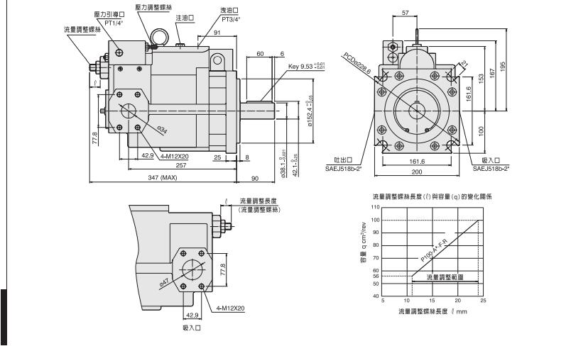
P70系列柱塞泵
当前位置:
首页
>
柱塞泵
P70系列柱塞泵
这是第一条了
返回目录
下一條